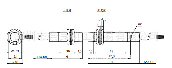
日本B-PLUS传感器rpea-1803n-pu-05议价 图片_高清大图 - 阿里巴巴
region-detail-memberInfo
深圳市奈良机工贸易有限公司
诚信通· 企业
第
12
年
region-detail-picContent
日本B-PLUS传感器rpea-1803n-pu-05议价
查看详情
>>
上一件
下一件
4400.00
(元/个)
已售
0
个
加入进货单
上一幅
下一幅
上一页
下一页
收藏商品
在线联系